産品分類
聯系方式
銷售熱線:
18513000801(微信同步)
13901132645(微信同步)
郵箱:wangguijiang@bjguancheng.com
地址:
北京昌平區北七家鎮宏翔鴻企業孵化基地C座104室
PGT0100壓力開關/壓力控制器

所屬分類:産品中心
關鍵詞: PGT0100壓力開關/壓力控制器
工作原理
采用微熔技術,引進航空應用科技,利用高溫玻璃将微加工矽壓敏電阻應變片熔化在不鏽鋼隔離膜片上。玻璃粘接工藝避免了溫度、濕度、機械疲勞和介質對膠水和材料的影響,從而提高了傳感器在工業環境中的長期穩定性能,同時也避免了傳感器在傳統微機械加工制造工藝工程中出現的P-N結效應現象。
産品特點
● 由微處理器控制的多功能電子開關
● 兩路電子開關量信号輸出
● 采用進口一體式加工結構的微熔壓力傳感器,高壓量程采用無焊接無密封圈,從而獲得更高可靠性
● 出色的長期穩定性
● 專爲嚴苛的 OEM 應用而設計
● 可選内置阻尼器能夠很好地防止氣蝕和液擊,這種精心設計确保了優異的振動穩定性 和耐用性
技術參數 |
·測量範圍 |
相對壓力:最小測量範圍(0~0.2) MPa,最大測量範圍(0~70)MPa |
|
|
負相對壓力:最小測量範圍(-0.1~0.2) MPa;最大測量範圍(-0.1~70)MPa |
|
·測量精度 |
1%FS (包括線性、遲滞、重複性) |
|
·長期穩定性 |
每年≤±0.25%FS |
|
·允許介質溫度 |
标準型 -20℃~+70℃ , 隔爆型 -20℃~+60℃ |
|
·允許環境溫度 |
-30℃~+110℃ |
|
·允許儲存溫度 |
-40℃~+120℃ |
|
·溫度影響 |
1.0%補償溫度0℃~+50℃ ,全溫程影響≤±0.75%或約定的特殊要求 |
|
·信号輸出 |
開關量輸出:一路或兩 路 SPDT觸點輸出 |
|
|
開關電流: ≤5A;響應時間 : ≤0.1S |
|
|
工廠預設開關量壓力數值及回差數值。(客戶現場不可調節) |
|
·過程連接 |
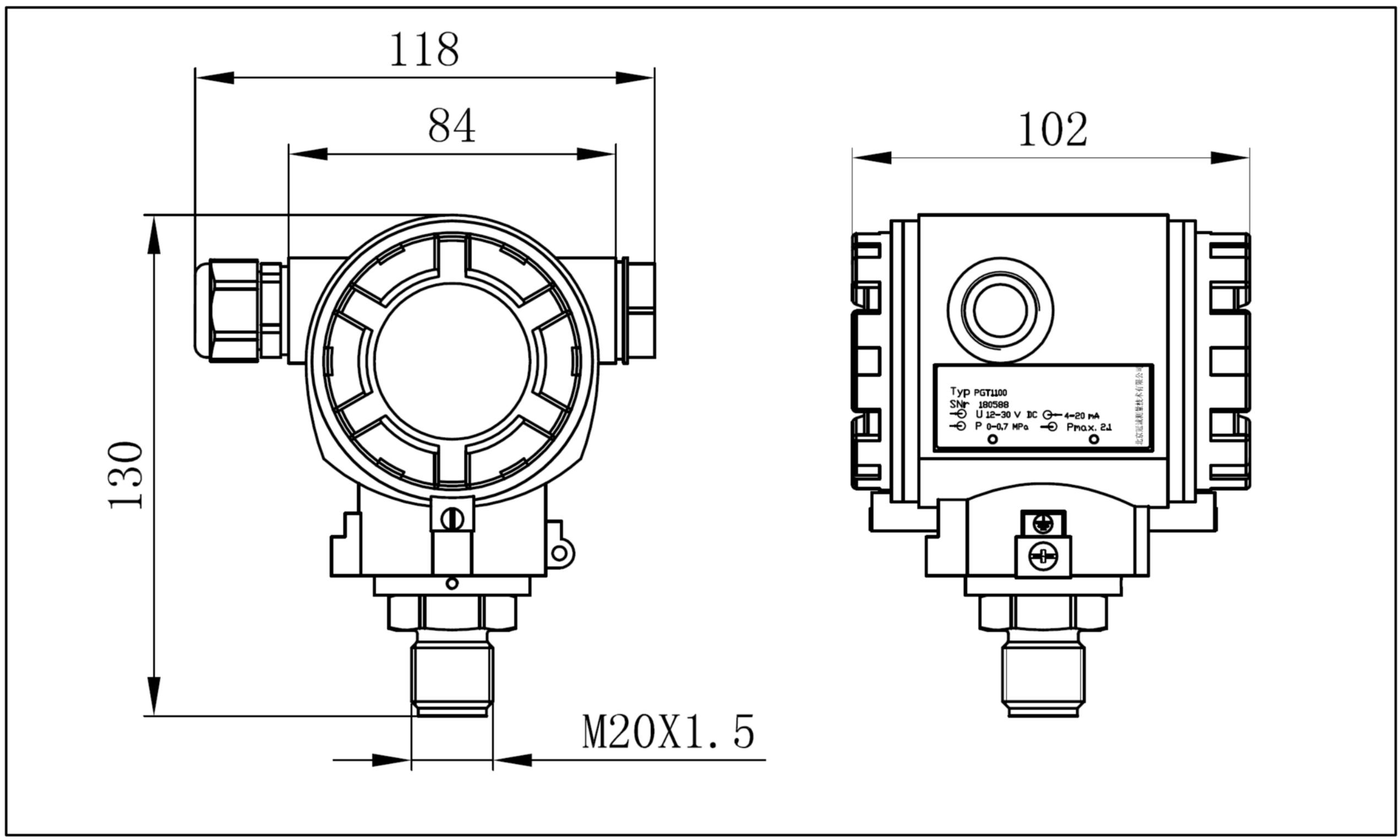
外螺紋M20X1.5 |
|
·抗振動 |
20g (20~200Hz) |
|
·抗沖擊 |
200g/11ms |
|
·工作電源 |
(12~30)V DC |
|
·與介質接觸部分材質 |
|
|
|
17-4PH不鏽鋼 |
|
·過程連接件 |
17-4不鏽鋼;不鏽鋼304 |
|
·外殼材料 |
壓鑄鋁環氧樹脂噴塑 |
|
·防護等級 |
航空插頭 IP66 |
|
·電磁兼容幹擾性 |
EN61000-6-1 , EN61000-6-3 10V/m |
|
·電氣連接 |
電纜引入孔 内螺紋M20X1.5 |
|
·壓力循環 |
>107次滿量程循環 |
|
·其它參數 |
過載壓力:2倍額定壓力 |
|
|
破壞壓力: 5倍額定壓力 |
|
|
防爆型: Ex d IIC T6 Gb |
外型結構
電氣連接
AL-1:報警1輸出; AL-2:報警2輸出; 24 VDC:儀表電源供電。
開關狀态
訂貨選型表
在線留言