産品分類
聯系方式
銷售熱線:
18513000801(微信同步)
13901132645(微信同步)
郵箱:wangguijiang@bjguancheng.com
地址:
北京昌平區北七家鎮宏翔鴻企業孵化基地C座104室
PGT2100智能壓力開關/壓力控制器

所屬分類:産品中心
關鍵詞: PGT2100智能壓力開關/壓力控制器
産品特點
● 由微處理器控制的多功能電子開關。
● 小型化緊湊型結構設計,更适合于通用型,專用型機械設備安裝使用。
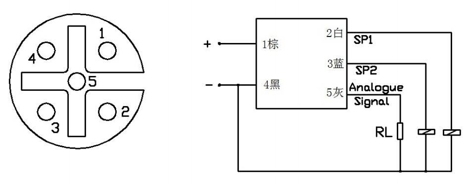
● 具有一路4-20mA模拟量兩線制信号輸出,兩路繼電器開關量信号輸出。
● 帶有4位數字式數碼管顯示器,多種操作顯示信息。
● 采用國際著名品牌矽壓阻壓力傳感器,高壓量程采用無焊接無密封圈,一體式加工結構的微熔壓力傳感器,從而獲得更高可靠性。
技術參數 |
·測量範圍 |
相對壓力:最小測量範圍0~7 kPa;最大測量範圍0~70 MPa |
|
|
負相對壓力:最小測量範圍-10 kPa~+10 kPa |
|
|
最大測量範圍-1 MPa~+10 MPa |
|
|
絕對壓力:最小測量範圍0~35 kPa;最大測量範圍0~4 MPa |
|
·測量精度 |
(包括線性度,遲滞和重複性)0.5%FS或0.2%FS |
|
·長期穩定性 |
矽壓阻傳感器,每年≤0.1% |
|
|
矽壓阻微熔傳感器,每年≤0.2% |
|
|
量程4MPa以上,現場數碼管顯示精度:0.5% |
|
·允許工作溫度 |
允許介質溫度-25℃~+115℃ |
|
|
允許環境溫度-20℃~+80℃ |
|
|
允許儲存溫度-25℃~+120℃ |
|
·溫度影響 |
溫度補償範圍0℃~+60℃(特殊要求-20℃~+80℃) |
|
|
全溫程零點影響≤1%,全溫程以20℃爲基準量程影響≤0.8% |
|
·信号輸出 |
模拟量輸出:4-20mA兩線制 0-10V三線制 |
|
|
開關量輸出:一路或兩路PNP晶體管輸出;9-35VDC開關量輸出 |
|
|
開關電流:≤1.2A;回差時間:≤0.1s |
|
|
可通過面闆按鍵,設置開關量壓力數值及回差數值 |
|
·過程連接 |
外螺紋M20×1.5,外螺G1/2A,不鏽鋼H17-4; |
|
|
外螺紋G1/4A,外螺紋NPT1/4,不鏽鋼304 |
|
·允許工作壓力 |
壓力循環:一千萬次;開關循環:一億次 |
|
·抗振動 |
2g |
|
·抗沖擊 |
20g |
|
·工作電源 |
18-35VDC |
|
·允許過載 |
矽壓阻傳感器額定量程的3倍 |
|
|
微熔矽壓阻傳感器額定量程的2倍 |
|
·與介質接觸部分材料 |
矽壓阻傳感器316L不鏽鋼微熔矽壓阻傳感器 |
|
|
17-4不鏽鋼過程連接件,不鏽鋼304 |
|
·與介質非接觸部分材料 |
外殼壓鑄鋁環氧樹脂噴塑, |
|
|
O型圖丁腈橡膠顯示器,塑料PVC |
外型結構
過程連接
電氣連接
訂貨選型表
在線留言