産品分類
聯系方式
銷售熱線:
18513000801(微信同步)
13901132645(微信同步)
郵箱:wangguijiang@bjguancheng.com
地址:
北京昌平區北七家鎮宏翔鴻企業孵化基地C座104室
PMC75F型差壓變送器

所屬分類:産品中心
關鍵詞: PMC75F型差壓變送器
産品特點
采用擴散矽傳感器或金屬電容傳感器,0.1%高精度,10:1寬量程比,高穩定、高可靠性,帶HART通訊功能,具有本質安全、隔爆、高靜壓産品系列,可配特種材料隔離膜片,适用高溫、高壓、強腐蝕條件下差壓測量。
工作原理
介質壓力作用于金屬隔離波紋膜片,并通過中介矽油傳遞至敏感元件β室(見圖),敏感元件測量膜片感受到差動壓力形成一電容變化量,差動壓力與差動電容量成線性狀态,檢測電路電路将差壓電容量放大轉換爲标準電流信号輸出。
技術參數 |
·測量範圍 |
最小測量範圍 (0~150)Pa ;最大測量範圍 (0~2)MPa |
|
·測量精度 |
綜合誤差(包括線性度、重複性、遲滞)優于0.1% |
|
|
1:1~5:1量程比:0.1%設定量程, |
|
|
5:1~10:1量程比:(0.05%+0.01%×TD)%設定量程 |
|
·長期穩定性 |
每年優于0.15%F.s |
|
·允許介質溫度 |
(-40~110)℃ |
|
·允許環境溫度 |
(-40~85)℃ |
|
·允許儲存溫度 |
(-40~85)℃ |
|
·溫度影響 |
相對于25℃ ≤±0.4%标準量程 |
|
·傳感器允許工作靜壓 |
單向、雙向允許最大靜壓PN13MPa |
|
·溫度影響 |
100%狀态下 影響≤0.25% |
|
·阻尼 |
0~40S連續可調 |
|
·抗震動 |
2g 1000HZ ±0.05%g |
|
·抗沖擊 |
50g 11mesc |
|
·電磁兼容特性 |
符合IEC801标準 |
|
·負載特性 |
對應供電電源電壓阻抗 50Ω~1000Ω |
|
·傳感器允許過壓 |
标準量程3倍壓力 |
|
·傳感器量程比 |
10:1連續可調 零點可反向100%遷移 |
|
·信号輸出 |
4-20mA 線性輸出 二線制 帶HART通訊協議 |
|
|
4-20mA 平方根輸出 二線制帶HART 通訊協議 |
|
·啓動時間 |
3S 無需預熱 |
|
·供電電源 |
12V~45VDC |
|
·電源影響 |
≤輸出量程的0.005%V |
|
·電氣連接 |
M4螺釘接地端子适用于0.5~1.5mm²帶電纜密封殼适用于外徑6~8mm |
|
·過程連接 |
1/4NPT 内螺紋 導壓管連接,M10内孔螺紋 安裝支架連接 |
|
·與介質接觸部分材料 |
傳感器波紋膜片: 不鏽鋼316,哈氏合金C |
|
|
傳感器密封圈:氟橡膠EPDMPTFE, 克拉滋(Kalrez) |
|
|
橢圓法蘭: 不鏽鋼316; 哈氏合金C |
|
·與介質非接觸部分材料 |
外殼:壓鑄鋁帶環氧樹脂塗層 |
|
|
銘牌: 不鏽鋼 304;傳感器中介液 矽油或厭氧油 |
|
|
緊固件: 不鏽鋼 |
|
·現場顯示 |
液晶3 1/2數字式顯示器 |
|
·防護等級 |
IP66 |
|
·重量 |
約1Kg |
|
·防爆等級 |
防爆型 Ex d ⅡC T5; 本安型 Ex ia ⅡC T5 |
|
·允許環境濕度 |
100%RH |
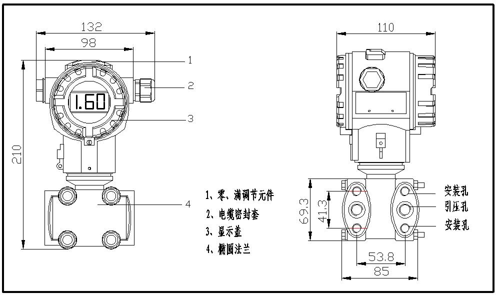
外型結構
負載特性
R—允許負載電阻(Ω),U—供電電源(V)
電氣連接
M螺釘接地端子适用于0.5-2mm²導線,M20×1.5内螺紋電纜引入孔,
帶電纜密封套用于外徑6~8mm電纜線
儀表安裝
a、牆式安裝,b、管道垂直安裝,c、管道水平安裝
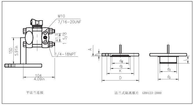
過程連接(一)
1、[-]壓端橢圓法蘭内螺紋連接螺紋标準:過程螺孔1/4-18NP/A安裝螺孔M10[見上圖]
2、[+]壓端平法蘭或延伸法蘭焊接密封隔膜結構連接,法蘭标準:GB123-88DN50、DN80、DN100、
PN4MPa;延伸法蘭 GB9123-88 DN80、PN4MPa,延伸50mm、100mm、200mm[見上圖]
溫度影響
平法蘭隔膜:DN50+500Pa/10K;平法蘭隔膜:DN80+500Pa/10K
延伸法蘭隔膜:DN80;延伸100mm +400Pa/10K
延伸平法蘭隔膜:DN80;延伸200mm +400Pa/10K
溫度變化對密封隔膜型壓力變送器的影響,主要取決于隔膜内中介液的物理特性的溫度
系數是差壓變送器PMC75的溫度系數與密度隔膜的溫度系數之和。後面依次列出的隔膜
溫度系數适用于矽油中介液。
過程連接(二)
1、毛細管鎖母壓旋式焊接密封隔膜結構:連接件标準:DIN11851-DN50、DN65、DN80PN2.5MPa
2、毛細管對夾法蘭焊接密封隔膜結構:法蘭标準:GB9123-88DN50、DN80、DN100、PN1.6MPa/40MPa[見上圖]
溫度影響
鎖母壓旋式隔離膜片:DN50 單向+300Pa/10K;雙向+50Pa/10K
DN65 單向+100Pa/10K;雙向+20Pa/10K
DN80 單向+70Pa/10K;雙向+10Pa/10K
對夾法蘭式隔離膜片:DN50 單向+300Pa/10K;雙向+50Pa/10K
DN80 單向+70Pa/10K;雙向+10Pa/10K
DN100 單向+70Pa/10K;雙向+10Pa/10K
訂貨選型表
在線留言